企業(yè)簡介
虹潤概覽
智能制造
測試中心
知識產權
國家標準
虹潤資質
典型用戶
虹潤文化
領導關懷
虹潤榮譽
社會貢獻
人大履職
重要新聞
員工之家
虹潤黨建
產品中心
產品訂制
新聞動態(tài)
大事記
經典案例
常見問題
資料下載
智能客服
人才理念
人才招聘
聯(lián)系方式
物資招標
在線留言
試用申請
English
NHR-X33系列導軌式智能配電器
NHR-X32系列導軌式智能溫度變送器
導軌式智能配電器
智能配電器
NHR-X33系列
虹潤組態(tài)軟件
虹潤?HRStudio?組態(tài)軟件采用開放式密鑰,無點數限制;凡購買虹潤帶有 RS485/232、以太網通訊功能的儀表,單筆訂單滿 3800 元,即免費贈送HRStudio 組態(tài)軟件及對應密鑰;若您在組態(tài)過程中有任何疑問,我們提供專業(yè)遠程協(xié)助。
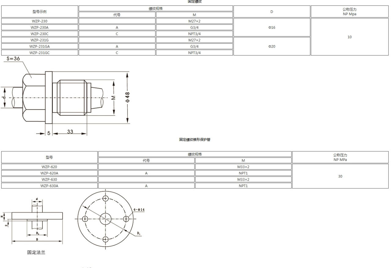
熱電阻
熱電阻(thermal resistor)是中低溫區(qū)最常用的一種溫度檢測器。熱電阻測溫是基于金屬導體的電阻值隨溫度的增加而增加這一特性來進行溫度測量的。它的主要特點是測量精度高,性能穩(wěn)定。其中鉑熱電阻的測量精確度是最高的,它不僅廣泛應用于工業(yè)測溫,而且被制成標準的基準儀。
咨詢電話 0599-7821390
商務郵箱 hrgs@hrgs.com.cn
直接掃碼
虹潤微信客服
虹潤官方微信
fjhongrun